Jednofázový digitálny štvortarifný elektromer LE-01MW je určený k podružnému meraniu spotreby elektrickej energie samostatných spotrebičov alebo spotrebičov v skupinách. Elektromer je možné použiť aj na fakturačné účely, je certifikovaný podľa normy MID 2014/32/EU.
Elektromer okrem činnej a jalovej energie meria a zobrazuje aj ďalšie parametre siete ako napätie, prúd, účinník a podobne.
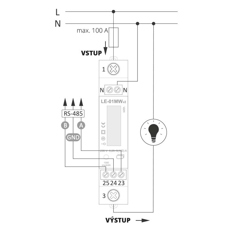
Nastavenie tarifov, času, konštanty impulzného výstupu a výpočtu celkovej spotreby energie (tot.=imp.+exp./tot.=imp.–exp.) je možné uskutočniť len prostredníctvom konfiguračnej aplikácie LEconfig alebo pomocou Modbus registrov. Na pripojenie elektromeru k počítaču odporúčame použiť prevodník CN-USB-485. Použitie iného prevodníka môže ovplyvniť kompatibilitu a správne fungovanie.
● 1-fázovy 4-tarifný 2-cestný digitálny elektromer.
● Priame meranie do 100 A.
● Meranie činnej, jalovej energie a parametrov siete.
● LE-01MW v2 disponuje nulovateľným počítadlom, ktoré je nezávislé od hlavného počítadla.
● MID certifikácia.
● Komunikácia prostredníctvom protokolu Modbus RTU (port RS-485).
● LCD displej.
● Činná energia [kWh],
● jalová energia [kVArh]
● napätie [V],
● prúd [A],
● činný výkon [W],
● jalový výkon [Var],
● zdanlivý výkon [VA],
● účinník [cos ϕ].
Program pre konfiguráciu a odpočet nameranej energie pre elektromery série LE s protokolom MODBUS.

Pre pripojenie elektromeru je potrebný konvertor CN-USB-485.
Elektromer LE-01MWdisponuje možnosťou diaľkového bezdrôtového odpočtu nameraných hodnôt prostredníctvom integrácie do WiFi systému FOX. Na tento účel slúži integrátor FOX ENERGY MODBUS-D.
Elektromer LE-01MW umožňuje diaľkový odpočet nameraných hodnôt prostredníctvom siete RS-485 a príslušnej centrálnej jednotky. Na našej stránke je k dispozícii systém Meternet PRO, ktorý umožňuje diaľkový odpočet stavov (najmä elektrickej energie) a indikácií rôznych meracích zariadení a rozširujúcich modulov komunikujúcich v súlade s protokolom Modbus RTU.