3-fázový elektromer, MID, Modbus, 3x 230/400V, 100A
Trojfázový digitálny elektromer LE-03M je určený k podružnému meraniu spotreby elektrickej energie samostatných spotrebičov alebo spotrebičov v skupinách. Elektromer je možné použiť aj na fakturačné účely.
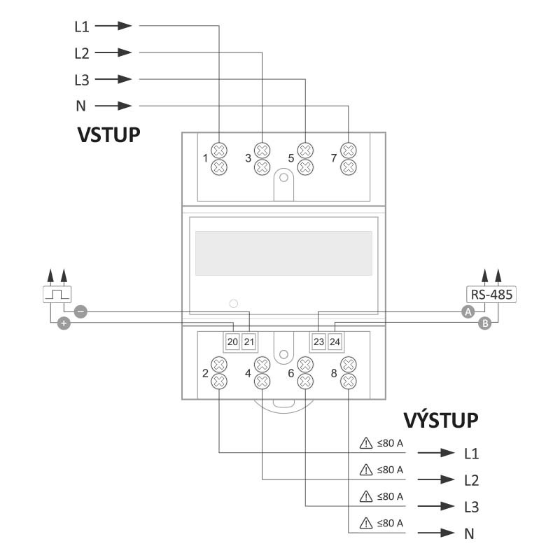
- 3-fázový,
- priame meranie do 100 A,
- MID certifikácia,
- Modbus RTU protokol (RS-485 port),
- LCD displej,
- impulzný výstup S0.
Program pre konfiguráciu a odpočet nameranej energie pre elektromery série LE s protokolom MODBUS.

Pre pripojenie elektromeru je potrebný konvertor CN-USB-485.
Elektromer LE-03M umožňuje diaľkový odpočet nameraných hodnôt prostredníctvom siete RS-485 a príslušnej centrálnej jednotky. Na našej stránke je k dispozícii systém Meternet PRO, ktorý umožňuje diaľkový odpočet stavov (najmä elektrickej energie) a indikácií rôznych meracích zariadení a rozširujúcich modulov komunikujúcich v súlade s protokolom Modbus RTU.